LK Armatur on johtava venttiilien ja järjestelmien valmistaja Euroopassa. Se valmistaa vuodessa miljoonia venttiilejä maailmanlaajuisille LVI-markkinoille. Ratkaisujemme taustalla on kokonaiskuva siitä, kuinka venttiilit, ohjausyksiköt, komponentit ja valmiit kokonaisuudet toimivat yhdessä.
LK Systems on Pohjoismaiden johtava lämmitys- ja käyttövesijärjestelmien toimittaja. Kaikki järjestelmämme ovat helppoja asentaa, ja omassa esivalmistuslaitoksessamme valmistetut räätälöidyt ratkaisut helpottavat asennusta entisestään.
PEX Pipe Extrusion -yksikkömme on innovatiivinen laadukkaiden lämmitys- ja putkistoalalle suunnattujen muoviputkien valmistaja. Valmistamme tehokkaalla, huipputeknologisella tuotantoprosessilla ristisilloitettuja PE-Xa-putkia, joissa yhdistyy ainutlaatuisesti sekä joustavuus että hydrostaattinen lujuus.
LK on perheomisteinen konserni, joka toimii kansainvälisesti LVI-alalla. Olemme Ruotsissa markkinajohtaja, ja tuote-, järjestelmä- ja ratkaisumyyntimme on kasvussa Pohjoismaissa, Euroopassa ja USA:ssa.
LK 422 Manifold Shunt Tmax on tarkoitettu järjestelmiin, joissa on pääpumppu. Sekoitusryhmän voi asentaa oikealle tai vasemmalle suoraan lämmityspiirin jakotukkiin. Sekoitusyksikössä on vakiovarusteena menoputk...
Lue lisää
Kuvaus
LK 422 Manifold Shunt Tmax on tarkoitettu järjestelmiin, joissa on pääpumppu. Sekoitusryhmän voi asentaa oikealle tai vasemmalle suoraan lämmityspiirin jakotukkiin. Sekoitusyksikössä on vakiovarusteena menoputken lämpötilan ohjaus termostaatilla ja automaattinen kierroslukusäädettävä pumppu, jotka vähentävät energiankulutusta ja vähentävät käyttömelua. Sekoitusyksikön ohjeellinen kapasiteetti on enintään 130 m² lattialämmitysala. Kapasiteetti riippuu lämmitystarpeesta, asennustavasta jne.
LK 422 voidaan asentaa oikealle tai vasemmalle suoraan lämmityspiirin jakotukkiin. Tuotteen mukana toimitetaan tuloputki vasemmalle lämmityspiirin jakotukkiin asennusta varten. Jos jakotukki lyhentää tuloputkea oikealle asennettaessa n. 50 mm, lämpömittarit siirretään vastakkaiselle puolelle ja pumppua kierretään 180°.
LK 422 on huoltovapaa. Tarkasta kytkentä säännöllisesti.
Tekniset tiedot
| Jännite: | 230 VAC -15 % / +10 %, 50 Hz, PE |
| Suurin sallittu käyttöpaine: | 0,6 MPa (6 bar) |
| Paine-ero enint.: | 0,1 MPa (1 bar) |
| Käyttölämpötila: |
Ensisijainen: Väh. 5 °C / enint. 90 °C Toissijainen: Väh. 30 °C / enint. 65 °C |
| Ympäristön lämpötila: | Enint. 70 °C |
| Kierrestandardi: | G - ulkokierre, G - sisäkierre |
| Kotelointiluokka: | IP44 |
| Siirtoneste 1: | Vesi - Glykolia maks. 50% Etanolia maks. 30% |
| Kiertovesipumput: | Grundfos UPM3 AUTO 15-70, EEI ≤ 0,23 (katso pumpun tietolehti/merkintä tarkasta arvosta) |
| Materiaali, venttiilipesä: | Niklattu messinki EN 12165 CW617N |
| Materiaali, putki: | Tuloputki : Ruostumaton teräs EN 1.4404 |
Käyttökohteet
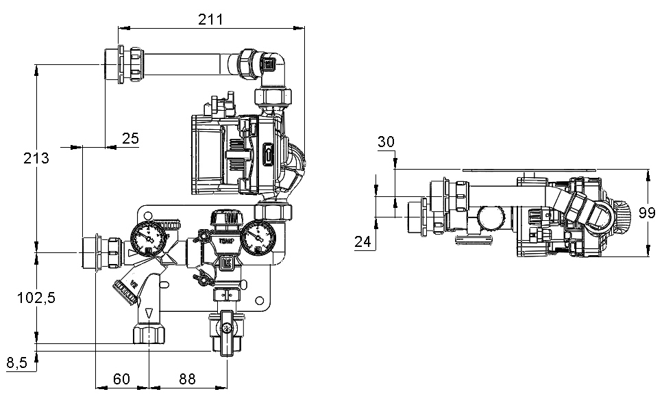
Tekniset piirustukset
PUMPUN OMINAISUUDET