LK Armatur on johtava venttiilien ja järjestelmien valmistaja Euroopassa. Se valmistaa vuodessa miljoonia venttiilejä maailmanlaajuisille LVI-markkinoille. Ratkaisujemme taustalla on kokonaiskuva siitä, kuinka venttiilit, ohjausyksiköt, komponentit ja valmiit kokonaisuudet toimivat yhdessä.
LK Systems on Pohjoismaiden johtava lämmitys- ja käyttövesijärjestelmien toimittaja. Kaikki järjestelmämme ovat helppoja asentaa, ja omassa esivalmistuslaitoksessamme valmistetut räätälöidyt ratkaisut helpottavat asennusta entisestään.
PEX Pipe Extrusion -yksikkömme on innovatiivinen laadukkaiden lämmitys- ja putkistoalalle suunnattujen muoviputkien valmistaja. Valmistamme tehokkaalla, huipputeknologisella tuotantoprosessilla ristisilloitettuja PE-Xa-putkia, joissa yhdistyy ainutlaatuisesti sekä joustavuus että hydrostaattinen lujuus.
LK on perheomisteinen konserni, joka toimii kansainvälisesti LVI-alalla. Olemme Ruotsissa markkinajohtaja, ja tuote-, järjestelmä- ja ratkaisumyyntimme on kasvussa Pohjoismaissa, Euroopassa ja USA:ssa.
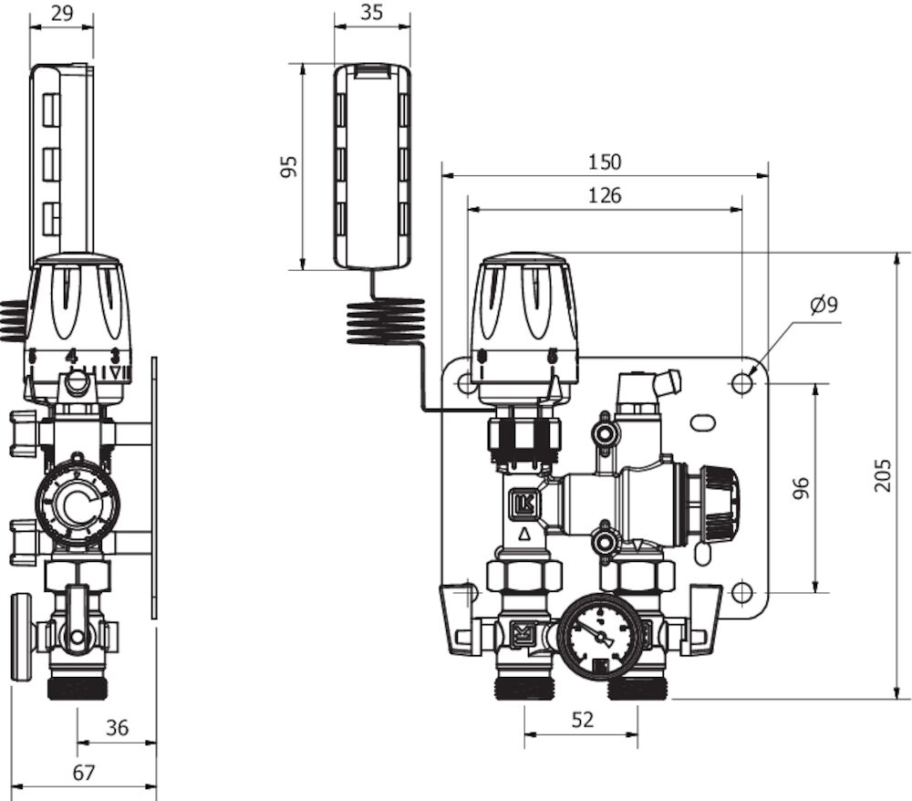
Kuvaus
LK 423 MiniLoop RTC on tarkoitettu betoniin tai lattiatasoitteeseen valettavien pienten lattialämmitysjärjestelmien ohjaamiseen, kun putken halkaisija on 8 mm, 12 mm, 16 mm tai 20 mm.
LK 423 MiniLoop RTC sisältää integroidun paluulämpötilan rajoittimen, jonka avulla voi rajoittaa lattiapinnan lämpötilaa.
Huoneen lämpötilaa säädetään kapillaariputken termostaatin avulla. Mahdollista asentaa myös langaton tai langallinen sähkötoiminen huonesäätö.
A. Lämpöpatteri
B. Lämpöpatterijärjestelmä, tulo
C. Lämpöpatterijärjestelmä, paluu
D. Lattialämmityspiiri
E. LK 423 MiniLoop RTC
F. Paluujohto, lattialämmityspiiri (RTC:stä)
G. Liitäntä, lattialämmityspiirin tulo
H. Liitäntä, lattialämmityspiirin paluu (RTC:stä)
Suurin suositeltu lattialämmitysalueen koko : 10 m²
Tekniset tiedot
| Suurin sallittu käyttöpaine: | 0,6 MPa (6 bar) |
| Käyttölämpötila: | Enint. 55 °C |
| Siirtoneste 1: | Vesi - Glykolia maks. 50% |
| Säätöalue: |
Paluuventtiilin: 23 - 44 °C Termostaatin: 6 - 28 °C |
| Halkaisija: | Kapillaariputken anturin: Ø 16 mm |
Käyttökohteet