LK Armatur on johtava venttiilien ja järjestelmien valmistaja Euroopassa. Se valmistaa vuodessa miljoonia venttiilejä maailmanlaajuisille LVI-markkinoille. Ratkaisujemme taustalla on kokonaiskuva siitä, kuinka venttiilit, ohjausyksiköt, komponentit ja valmiit kokonaisuudet toimivat yhdessä.
LK Systems on Pohjoismaiden johtava lämmitys- ja käyttövesijärjestelmien toimittaja. Kaikki järjestelmämme ovat helppoja asentaa, ja omassa esivalmistuslaitoksessamme valmistetut räätälöidyt ratkaisut helpottavat asennusta entisestään.
PEX Pipe Extrusion -yksikkömme on innovatiivinen laadukkaiden lämmitys- ja putkistoalalle suunnattujen muoviputkien valmistaja. Valmistamme tehokkaalla, huipputeknologisella tuotantoprosessilla ristisilloitettuja PE-Xa-putkia, joissa yhdistyy ainutlaatuisesti sekä joustavuus että hydrostaattinen lujuus.
LK on perheomisteinen konserni, joka toimii kansainvälisesti LVI-alalla. Olemme Ruotsissa markkinajohtaja, ja tuote-, järjestelmä- ja ratkaisumyyntimme on kasvussa Pohjoismaissa, Euroopassa ja USA:ssa.
LK 162 SmartStove® on kiinteän polttoaineen ohjaus, jossa on useita esiasetettuja hydrauliikkajärjestelmiä, joiden avulla voidaan parantaa energiatehokkuutta lämmitysjärjestelmissä, joissa on varaajaan kytketty...
Lue lisää
Kuvaus
LK 162 SmartStove® on kiinteän polttoaineen ohjaus, jossa on useita esiasetettuja hydrauliikkajärjestelmiä, joiden avulla voidaan parantaa energiatehokkuutta lämmitysjärjestelmissä, joissa on varaajaan kytketty vesivaipallinen puu- tai pellettikattila
Valittu hydrauliikkajärjestelmä, toimintatila sekä kattilan ja varaajan senhetkiset lämpötilat näkyvät selkeästi taustavalaistussa värinäytössä.
LK 162 SmartStove® voi aktivoida mm. latauspaketin kiertovesipumpun, lämmitysjärjestelmän kiertovesipumpun ja lisälämmityksen sekä ohjata nopeussäädettäviä kiertovesipumppuja.
TOIMINNOT:
• Akustinen hälytys ja ilmoitus näytössä kattilan ja/tai varaajan liian korkeasta lämpötilasta
• Kattilan lämpötila-anturit käynnistävät latauspaketin kiertovesipumpun. Savukaasutermostaattia ei tarvita
• Pumpun käynnistysviive. Latauspaketin kiertovesipumppu käynnistyy vasta, kun kattilan teho on riittävän suuri. Se säästää energiaa ja estää kattilan jäähtymisen, mikä pidentää samalla kattilan käyttöikää
• Dynaaminen pumppuohjaus voidaan aktivoida, jos latauspaketissa käytetään nopeussäädettävää kiertovesipumppua. Pumppuohjaus säilyttää menoputken lämpötilan tasaisena varaajaan
• Taloudellisen ja mukavuuskäytön voi valita lämminvesivaraajan ja/tai lämmitysjärjestelmän optimaalista hyödyntämistä varten
• Lisälämmityksen ohjaus
• Lisälämmityksen käynnistysviive
• 7 hydrauliikkajärjestelmää, joita voidaan käyttää peilikuvina
• Kaksi lähtöä nopeussäädettäville kiertovesipumpuille PWM-ja/tai analogisen signaalin kautta
• Kuusi tuloa lämpötila-antureille
• Yksi potentiaalivapaa relelähtö
• SD-kortinlukija lokitietojen kirjaamiseen ja ohjelmistojen päivittämiseen
• Antilegionella-toiminto
• Pumpun kunnossapito
• Jäätymissuoja
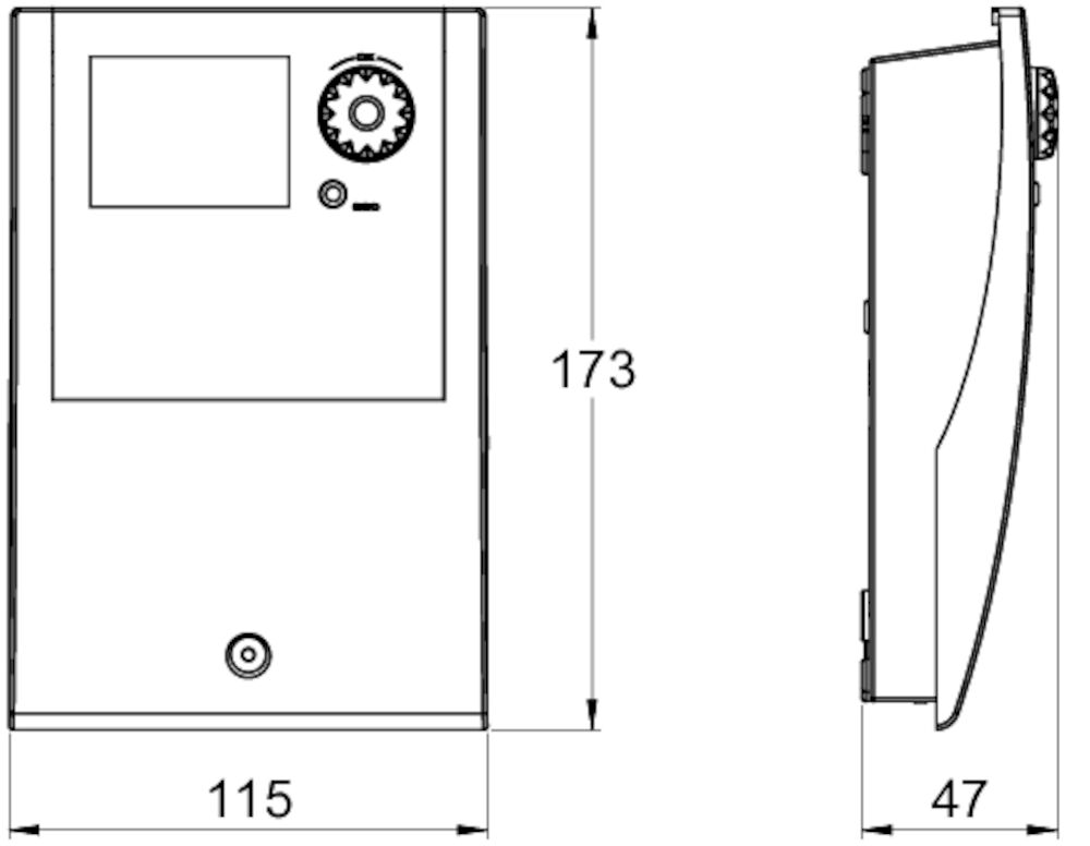
Tekniset tiedot
| Jännite: | 230 VAC, 50 Hz |
| Tehonkulutus: | 3,5 VA |
| Kotelointiluokka: | IP 20 |
| Suojausluokka: | II |
| Näyttö: |
TFT-värinäyttö 47 x 35 mm taustavalaistu |
| Triac-lähdöt: | 230 VAC ± 10 %, 1 A, 200 VA |
| Relelähtö: | Max. 240 VAC, 4 A |
| Anturit: | PT 1000 |
| Suurtehopumppu: |
Analoginen lähtö 0-10 V, enint. 10 mA PWM-lähtö 100 Hz - 2 kHz |
| Tyyppihyväksyntä: | CE |
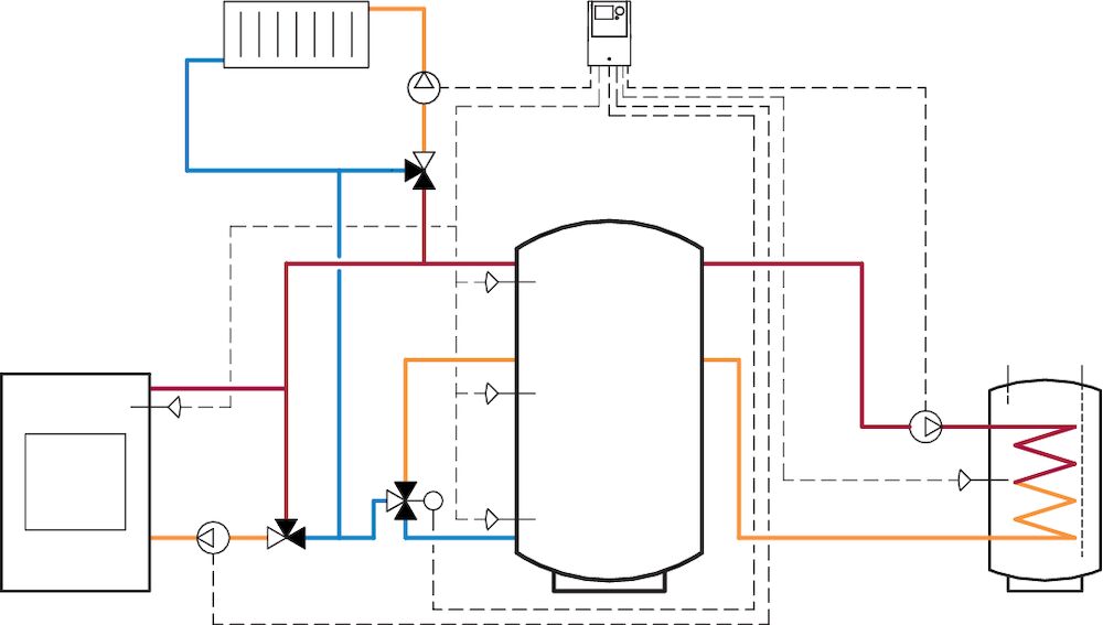
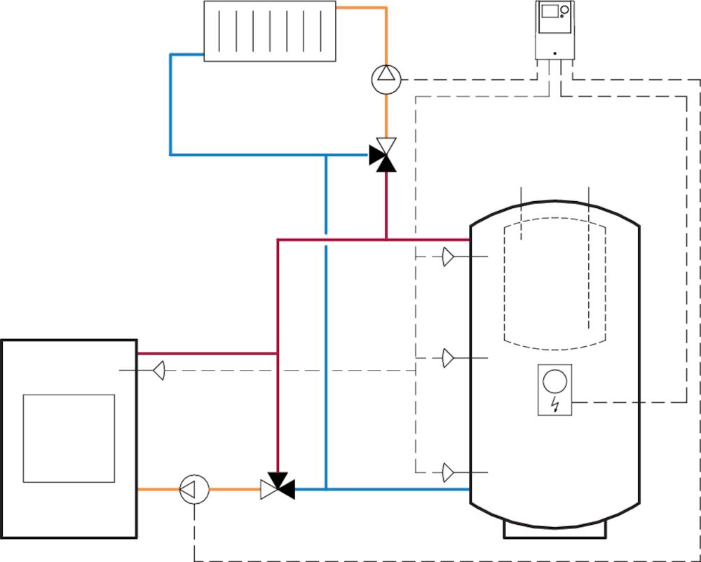
Käyttökohteet
Hydrauliikkakaavio
Hydrauliikkakaavio