LK Armatur on johtava venttiilien ja järjestelmien valmistaja Euroopassa. Se valmistaa vuodessa miljoonia venttiilejä maailmanlaajuisille LVI-markkinoille. Ratkaisujemme taustalla on kokonaiskuva siitä, kuinka venttiilit, ohjausyksiköt, komponentit ja valmiit kokonaisuudet toimivat yhdessä.
LK Systems on Pohjoismaiden johtava lämmitys- ja käyttövesijärjestelmien toimittaja. Kaikki järjestelmämme ovat helppoja asentaa, ja omassa esivalmistuslaitoksessamme valmistetut räätälöidyt ratkaisut helpottavat asennusta entisestään.
PEX Pipe Extrusion -yksikkömme on innovatiivinen laadukkaiden lämmitys- ja putkistoalalle suunnattujen muoviputkien valmistaja. Valmistamme tehokkaalla, huipputeknologisella tuotantoprosessilla ristisilloitettuja PE-Xa-putkia, joissa yhdistyy ainutlaatuisesti sekä joustavuus että hydrostaattinen lujuus.
LK on perheomisteinen konserni, joka toimii kansainvälisesti LVI-alalla. Olemme Ruotsissa markkinajohtaja, ja tuote-, järjestelmä- ja ratkaisumyyntimme on kasvussa Pohjoismaissa, Euroopassa ja USA:ssa.
Tuotteet
Venttiilit
Elektroninen lämmönsäätö
Esivalmistus
LK Group
LK Armatur
LK Systems
LK Pex
LK Group
LK 840 ThermoMix® 2.0 on 3-tieventtiili, jota voi käyttää sekoitus- tai ohjausventtiilinä lämmitysjärjestelmässä. Venttiili sopii hyvin moottoroitavaksi, ja se voidaan varustaa eristeellä. Lisätietoja eristykse...
Lue lisää
LK 840 ThermoMix® 2.0
LK 840 2.0 - Sisäkierre 9 artikkelit
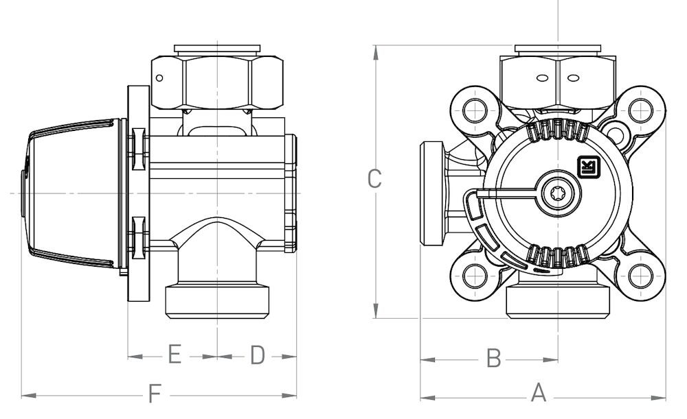
| Tuote | Koko | Kvs m³/h | A mm | B mm | C mm | D mm | E mm | F mm | CO₂-EKV. (Kg) | Paino (kg) | Mittapiirros | Tuotelista |
|---|---|---|---|---|---|---|---|---|---|---|---|---|
| 181908 | Rp ½" | 0,6 | 70 | 35 | 69 | 18 | 29 | 81 | 3,00178586 | 0,5 |
|
|
| 181909 | Rp ½" | 1,0 | 70 | 35 | 69 | 18 | 29 | 81 | 2,99912408 | 0,5 |
|
|
| 181910 | Rp ½" | 1,6 | 70 | 35 | 69 | 18 | 29 | 81 | 2,99375234 | 0,5 |
|
|
| 181911 | Rp ½" | 2,5 | 70 | 35 | 69 | 18 | 29 | 81 | 2,98900202 | 0,5 |
|
|
| 181912 | Rp ¾" | 4,0 | 70 | 35 | 69 | 18 | 29 | 81 | 3,07548709 | 0,5 |
|
|
| 181913 | Rp ¾" | 6,3 | 70 | 35 | 69 | 18 | 29 | 81 | 3,06610281 | 0,5 |
|
|
| 181914 | Rp 1" | 6,3 | 70 | 35 | 69 | 20 | 29 | 83 | 1,40471484 | 0,5 |
|
|
| 181915 | Rp 1" | 10,0 | 70 | 35 | 69 | 20 | 29 | 83 | 1,37513713 | 0,5 |
|
|
| 181916 | Rp 1¼" | 16,0 | 84 | 42 | 77 | 24 | 32 | 90 | 2,00209564 | 0,8 |
|
181908
| Koko | Rp ½" |
| Kvs m³/h | 0,6 |
| A mm | 70 |
| B mm | 35 |
| C mm | 69 |
| D mm | 18 |
| E mm | 29 |
| F mm | 81 |
| CO₂-EKV. (Kg) | 3,00178586 |
| Paino (kg) | 0,5 |
| Mittapiirros | |
| Tuotelista |
|
181909
| Koko | Rp ½" |
| Kvs m³/h | 1,0 |
| A mm | 70 |
| B mm | 35 |
| C mm | 69 |
| D mm | 18 |
| E mm | 29 |
| F mm | 81 |
| CO₂-EKV. (Kg) | 2,99912408 |
| Paino (kg) | 0,5 |
| Mittapiirros | |
| Tuotelista |
|
181910
| Koko | Rp ½" |
| Kvs m³/h | 1,6 |
| A mm | 70 |
| B mm | 35 |
| C mm | 69 |
| D mm | 18 |
| E mm | 29 |
| F mm | 81 |
| CO₂-EKV. (Kg) | 2,99375234 |
| Paino (kg) | 0,5 |
| Mittapiirros | |
| Tuotelista |
|
181911
| Koko | Rp ½" |
| Kvs m³/h | 2,5 |
| A mm | 70 |
| B mm | 35 |
| C mm | 69 |
| D mm | 18 |
| E mm | 29 |
| F mm | 81 |
| CO₂-EKV. (Kg) | 2,98900202 |
| Paino (kg) | 0,5 |
| Mittapiirros | |
| Tuotelista |
|
181912
| Koko | Rp ¾" |
| Kvs m³/h | 4,0 |
| A mm | 70 |
| B mm | 35 |
| C mm | 69 |
| D mm | 18 |
| E mm | 29 |
| F mm | 81 |
| CO₂-EKV. (Kg) | 3,07548709 |
| Paino (kg) | 0,5 |
| Mittapiirros | |
| Tuotelista |
|
181913
| Koko | Rp ¾" |
| Kvs m³/h | 6,3 |
| A mm | 70 |
| B mm | 35 |
| C mm | 69 |
| D mm | 18 |
| E mm | 29 |
| F mm | 81 |
| CO₂-EKV. (Kg) | 3,06610281 |
| Paino (kg) | 0,5 |
| Mittapiirros | |
| Tuotelista |
|
181914
| Koko | Rp 1" |
| Kvs m³/h | 6,3 |
| A mm | 70 |
| B mm | 35 |
| C mm | 69 |
| D mm | 20 |
| E mm | 29 |
| F mm | 83 |
| CO₂-EKV. (Kg) | 1,40471484 |
| Paino (kg) | 0,5 |
| Mittapiirros | |
| Tuotelista |
|
181915
| Koko | Rp 1" |
| Kvs m³/h | 10,0 |
| A mm | 70 |
| B mm | 35 |
| C mm | 69 |
| D mm | 20 |
| E mm | 29 |
| F mm | 83 |
| CO₂-EKV. (Kg) | 1,37513713 |
| Paino (kg) | 0,5 |
| Mittapiirros | |
| Tuotelista |
|
181916
| Koko | Rp 1¼" |
| Kvs m³/h | 16,0 |
| A mm | 84 |
| B mm | 42 |
| C mm | 77 |
| D mm | 24 |
| E mm | 32 |
| F mm | 90 |
| CO₂-EKV. (Kg) | 2,00209564 |
| Paino (kg) | 0,8 |
| Mittapiirros | |
| Tuotelista |
|
Tuote 181908
| A mm | 70 |
| B mm | 35 |
| C mm | 69 |
| D mm | 18 |
| E mm | 29 |
| F mm | 81 |
Tuote 181909
| A mm | 70 |
| B mm | 35 |
| C mm | 69 |
| D mm | 18 |
| E mm | 29 |
| F mm | 81 |
Tuote 181910
| A mm | 70 |
| B mm | 35 |
| C mm | 69 |
| D mm | 18 |
| E mm | 29 |
| F mm | 81 |
Tuote 181911
| A mm | 70 |
| B mm | 35 |
| C mm | 69 |
| D mm | 18 |
| E mm | 29 |
| F mm | 81 |
Tuote 181912
| A mm | 70 |
| B mm | 35 |
| C mm | 69 |
| D mm | 18 |
| E mm | 29 |
| F mm | 81 |
Tuote 181913
| A mm | 70 |
| B mm | 35 |
| C mm | 69 |
| D mm | 18 |
| E mm | 29 |
| F mm | 81 |
Tuote 181914
| A mm | 70 |
| B mm | 35 |
| C mm | 69 |
| D mm | 20 |
| E mm | 29 |
| F mm | 83 |
Tuote 181915
| A mm | 70 |
| B mm | 35 |
| C mm | 69 |
| D mm | 20 |
| E mm | 29 |
| F mm | 83 |
Tuote 181916
| A mm | 84 |
| B mm | 42 |
| C mm | 77 |
| D mm | 24 |
| E mm | 32 |
| F mm | 90 |
LK 840 2.0 - Sisäkierre 2 artikkelit
| Tuote | Koko | Kvs m³/h | A mm | B mm | C mm | D mm | E mm | F mm | CO₂-EKV. (Kg) | Paino (kg) | Mittapiirros | Tuotelista |
|---|---|---|---|---|---|---|---|---|---|---|---|---|
| 181917 | Rp 1½" | 25,0 | 106 | 53 | 88 | 33 | 43 | 110 | 4,13634393 | 1,4 |
|
|
| 181918 | Rp 2" | 40,0 | 106 | 53 | 88 | 33 | 43 | 110 | 4,47284328 | 1,6 |
|
181917
| Koko | Rp 1½" |
| Kvs m³/h | 25,0 |
| A mm | 106 |
| B mm | 53 |
| C mm | 88 |
| D mm | 33 |
| E mm | 43 |
| F mm | 110 |
| CO₂-EKV. (Kg) | 4,13634393 |
| Paino (kg) | 1,4 |
| Mittapiirros | |
| Tuotelista |
|
181918
| Koko | Rp 2" |
| Kvs m³/h | 40,0 |
| A mm | 106 |
| B mm | 53 |
| C mm | 88 |
| D mm | 33 |
| E mm | 43 |
| F mm | 110 |
| CO₂-EKV. (Kg) | 4,47284328 |
| Paino (kg) | 1,6 |
| Mittapiirros | |
| Tuotelista |
|
Tuote 181917
| A mm | 106 |
| B mm | 53 |
| C mm | 88 |
| D mm | 33 |
| E mm | 43 |
| F mm | 110 |
Tuote 181918
| A mm | 106 |
| B mm | 53 |
| C mm | 88 |
| D mm | 33 |
| E mm | 43 |
| F mm | 110 |
LK 840 2.0 - Ulkokierre 5 artikkelit
| Tuote | Koko | Kvs m³/h | A mm | B mm | C mm | D mm | E mm | F mm | CO₂-EKV. (Kg) | Paino (kg) | Mittapiirros | Tuotelista |
|---|---|---|---|---|---|---|---|---|---|---|---|---|
| 181919 | G ¾" | 2,5 | 80 | 40 | 74 | 18 | 29 | 81 | 3,14141553 | 0,6 |
|
|
| 181920 | G 1" | 4,0 | 80 | 40 | 74 | 18 | 29 | 81 | 3,18397448 | 0,6 |
|
|
| 181921 | G 1" | 6,3 | 80 | 40 | 74 | 18 | 29 | 81 | 3,18310044 | 0,6 |
|
|
| 181922 | G 1¼" | 10,0 | 82 | 41 | 75 | 20 | 29 | 83 | 1,51353405 | 0,6 |
|
|
| 181923 | G 1½" | 16,0 | 84 | 42 | 77 | 24 | 32 | 90 | 2,07624678 | 0,8 |
|
181919
| Koko | G ¾" |
| Kvs m³/h | 2,5 |
| A mm | 80 |
| B mm | 40 |
| C mm | 74 |
| D mm | 18 |
| E mm | 29 |
| F mm | 81 |
| CO₂-EKV. (Kg) | 3,14141553 |
| Paino (kg) | 0,6 |
| Mittapiirros | |
| Tuotelista |
|
181920
| Koko | G 1" |
| Kvs m³/h | 4,0 |
| A mm | 80 |
| B mm | 40 |
| C mm | 74 |
| D mm | 18 |
| E mm | 29 |
| F mm | 81 |
| CO₂-EKV. (Kg) | 3,18397448 |
| Paino (kg) | 0,6 |
| Mittapiirros | |
| Tuotelista |
|
181921
| Koko | G 1" |
| Kvs m³/h | 6,3 |
| A mm | 80 |
| B mm | 40 |
| C mm | 74 |
| D mm | 18 |
| E mm | 29 |
| F mm | 81 |
| CO₂-EKV. (Kg) | 3,18310044 |
| Paino (kg) | 0,6 |
| Mittapiirros | |
| Tuotelista |
|
181922
| Koko | G 1¼" |
| Kvs m³/h | 10,0 |
| A mm | 82 |
| B mm | 41 |
| C mm | 75 |
| D mm | 20 |
| E mm | 29 |
| F mm | 83 |
| CO₂-EKV. (Kg) | 1,51353405 |
| Paino (kg) | 0,6 |
| Mittapiirros | |
| Tuotelista |
|
181923
| Koko | G 1½" |
| Kvs m³/h | 16,0 |
| A mm | 84 |
| B mm | 42 |
| C mm | 77 |
| D mm | 24 |
| E mm | 32 |
| F mm | 90 |
| CO₂-EKV. (Kg) | 2,07624678 |
| Paino (kg) | 0,8 |
| Mittapiirros | |
| Tuotelista |
|
Tuote 181919
| A mm | 80 |
| B mm | 40 |
| C mm | 74 |
| D mm | 18 |
| E mm | 29 |
| F mm | 81 |
Tuote 181920
| A mm | 80 |
| B mm | 40 |
| C mm | 74 |
| D mm | 18 |
| E mm | 29 |
| F mm | 81 |
Tuote 181921
| A mm | 80 |
| B mm | 40 |
| C mm | 74 |
| D mm | 18 |
| E mm | 29 |
| F mm | 81 |
Tuote 181922
| A mm | 82 |
| B mm | 41 |
| C mm | 75 |
| D mm | 20 |
| E mm | 29 |
| F mm | 83 |
Tuote 181923
| A mm | 84 |
| B mm | 42 |
| C mm | 77 |
| D mm | 24 |
| E mm | 32 |
| F mm | 90 |
LK 840 2.0 – Ulkokierre 3 artikkelit
| Tuote | Koko | Kvs m³/h | A mm | B mm | C mm | D mm | E mm | F mm | CO₂-EKV. (Kg) | Paino (kg) | Mittapiirros | Tuotelista |
|---|---|---|---|---|---|---|---|---|---|---|---|---|
| 181924 | G 2" | 25,0 | 124 | 62 | 97 | 33 | 43 | 110 | 4,75685991 | 1,4 |
|
|
| 181925 | G 2" | 32,0 | 124 | 62 | 97 | 33 | 43 | 110 | 4,70553022 | 1,4 |
|
|
| 181926 | G 2" | 45,0 | 124 | 62 | 97 | 33 | 43 | 110 | 4,682498 | 1,4 |
|
181924
| Koko | G 2" |
| Kvs m³/h | 25,0 |
| A mm | 124 |
| B mm | 62 |
| C mm | 97 |
| D mm | 33 |
| E mm | 43 |
| F mm | 110 |
| CO₂-EKV. (Kg) | 4,75685991 |
| Paino (kg) | 1,4 |
| Mittapiirros | |
| Tuotelista |
|
181925
| Koko | G 2" |
| Kvs m³/h | 32,0 |
| A mm | 124 |
| B mm | 62 |
| C mm | 97 |
| D mm | 33 |
| E mm | 43 |
| F mm | 110 |
| CO₂-EKV. (Kg) | 4,70553022 |
| Paino (kg) | 1,4 |
| Mittapiirros | |
| Tuotelista |
|
181926
| Koko | G 2" |
| Kvs m³/h | 45,0 |
| A mm | 124 |
| B mm | 62 |
| C mm | 97 |
| D mm | 33 |
| E mm | 43 |
| F mm | 110 |
| CO₂-EKV. (Kg) | 4,682498 |
| Paino (kg) | 1,4 |
| Mittapiirros | |
| Tuotelista |
|
Tuote 181924
| A mm | 124 |
| B mm | 62 |
| C mm | 97 |
| D mm | 33 |
| E mm | 43 |
| F mm | 110 |
Tuote 181925
| A mm | 124 |
| B mm | 62 |
| C mm | 97 |
| D mm | 33 |
| E mm | 43 |
| F mm | 110 |
Tuote 181926
| A mm | 124 |
| B mm | 62 |
| C mm | 97 |
| D mm | 33 |
| E mm | 43 |
| F mm | 110 |
LK 840 2.0 - Puserrusliitin 1 artikel
| Tuote | Koko | Kvs m³/h | A mm | B mm | C mm | D mm | E mm | F mm | CO₂-EKV. (Kg) | Paino (kg) | Mittapiirros | Tuotelista |
|---|---|---|---|---|---|---|---|---|---|---|---|---|
| 181932 | 28 mm | 6,3 | 120 | 60 | 94 | 18 | 29 | 81 | 3,89386002 | 0,7 |
|
181932
| Koko | 28 mm |
| Kvs m³/h | 6,3 |
| A mm | 120 |
| B mm | 60 |
| C mm | 94 |
| D mm | 18 |
| E mm | 29 |
| F mm | 81 |
| CO₂-EKV. (Kg) | 3,89386002 |
| Paino (kg) | 0,7 |
| Mittapiirros | |
| Tuotelista |
|
Muut koot pyydettäessä.
Tuote 181927
| A mm | 114 |
| B mm | 57 |
| C mm | 91 |
| D mm | 18 |
| E mm | 29 |
| F mm | 81 |
Tuote 181928
| A mm | 114 |
| B mm | 57 |
| C mm | 91 |
| D mm | 18 |
| E mm | 29 |
| F mm | 81 |
Tuote 181929
| A mm | 114 |
| B mm | 57 |
| C mm | 91 |
| D mm | 18 |
| E mm | 29 |
| F mm | 81 |
Tuote 181932
| A mm | 120 |
| B mm | 60 |
| C mm | 94 |
| D mm | 18 |
| E mm | 29 |
| F mm | 81 |
Tuote 181930
| A mm | 84 |
| B mm | 42 |
| C mm | 76 |
| D mm | 18 |
| E mm | 29 |
| F mm | 81 |
Tuote 181931
| A mm | 120 |
| B mm | 60 |
| C mm | 94 |
| D mm | 18 |
| E mm | 29 |
| F mm | 81 |
LK 840 Set - Sisäkierre - LK 950 / LK 100 SmartComfort CT 5 artikkelit
| Tuote | Tyyppi | Koko | Kvs m³/h | A mm | B mm | C mm | CO₂-EKV. (Kg) | Paino (kg) | Mittapiirros | Tuotelista |
|---|---|---|---|---|---|---|---|---|---|---|
| 182759 | LK 950 (180759) | Rp ¾" | 6,3 | 143 | 80 | 93 | 15,13896698 | 1,0 |
|
|
| 182760 | LK 950 (180759) | Rp 1" | 6,3 | 145 | 80 | 93 | 13,47140935 | 1,0 |
|
|
| 182761 | LK 950 (180759) | Rp 1" | 10,0 | 145 | 80 | 93 | 13,2276817 | 1,0 |
|
|
| 182762 | LK 100 (181242) | Rp ¾" | 6,3 | 149 | 84 | 97 | 17,65595108 | 1,0 |
|
|
| 182763 | LK 100 (181242) | Rp 1" | 10,0 | 151 | 84 | 97 | 15,74077941 | 1,0 |
|
182759
| Tyyppi | LK 950 (180759) |
| Koko | Rp ¾" |
| Kvs m³/h | 6,3 |
| A mm | 143 |
| B mm | 80 |
| C mm | 93 |
| CO₂-EKV. (Kg) | 15,13896698 |
| Paino (kg) | 1,0 |
| Mittapiirros | |
| Tuotelista |
|
182760
| Tyyppi | LK 950 (180759) |
| Koko | Rp 1" |
| Kvs m³/h | 6,3 |
| A mm | 145 |
| B mm | 80 |
| C mm | 93 |
| CO₂-EKV. (Kg) | 13,47140935 |
| Paino (kg) | 1,0 |
| Mittapiirros | |
| Tuotelista |
|
182761
| Tyyppi | LK 950 (180759) |
| Koko | Rp 1" |
| Kvs m³/h | 10,0 |
| A mm | 145 |
| B mm | 80 |
| C mm | 93 |
| CO₂-EKV. (Kg) | 13,2276817 |
| Paino (kg) | 1,0 |
| Mittapiirros | |
| Tuotelista |
|
182762
| Tyyppi | LK 100 (181242) |
| Koko | Rp ¾" |
| Kvs m³/h | 6,3 |
| A mm | 149 |
| B mm | 84 |
| C mm | 97 |
| CO₂-EKV. (Kg) | 17,65595108 |
| Paino (kg) | 1,0 |
| Mittapiirros | |
| Tuotelista |
|
182763
| Tyyppi | LK 100 (181242) |
| Koko | Rp 1" |
| Kvs m³/h | 10,0 |
| A mm | 151 |
| B mm | 84 |
| C mm | 97 |
| CO₂-EKV. (Kg) | 15,74077941 |
| Paino (kg) | 1,0 |
| Mittapiirros | |
| Tuotelista |
|
Tuote 182759
| A mm | 143 |
| B mm | 80 |
| C mm | 93 |
Tuote 182760
| A mm | 145 |
| B mm | 80 |
| C mm | 93 |
Tuote 182761
| A mm | 145 |
| B mm | 80 |
| C mm | 93 |
Tuote 182762
| A mm | 149 |
| B mm | 84 |
| C mm | 97 |
Tuote 182763
| A mm | 151 |
| B mm | 84 |
| C mm | 97 |
LK 850 HG - Ulkokierre / liitinmutteri 1 artikel
| Tuote | Koko | Kvs m³/h | A mm | B mm | C mm | D mm | E mm | F mm | CO₂-EKV. (Kg) | Paino (kg) | Mittapiirros | Tuotelista |
|---|---|---|---|---|---|---|---|---|---|---|---|---|
| 182765 | G 1" x G 1" x Rp 1" liitinmutteri | 6,3/10,0 | 78,5 | 44 | 88 | 25,4 | 28,6 | 88,1 | 3,62585319 | 0,7 |
|
182765
| Koko | G 1" x G 1" x Rp 1" liitinmutteri |
| Kvs m³/h | 6,3/10,0 |
| A mm | 78,5 |
| B mm | 44 |
| C mm | 88 |
| D mm | 25,4 |
| E mm | 28,6 |
| F mm | 88,1 |
| CO₂-EKV. (Kg) | 3,62585319 |
| Paino (kg) | 0,7 |
| Mittapiirros | |
| Tuotelista |
|
Tuote 182765
| A mm | 78,5 |
| B mm | 44 |
| C mm | 88 |
| D mm | 25,4 |
| E mm | 28,6 |
| F mm | 88,1 |
LK 840 HG - Ulkokierre / liitinmutteri 2 artikkelit
| Tuote | Koko | Kvs m³/h | A mm | B mm | C mm | D mm | E mm | F mm | CO₂-EKV. (Kg) | Paino (kg) | Mittapiirros | Tuotelista |
|---|---|---|---|---|---|---|---|---|---|---|---|---|
| 182766 | G 1½” x G 1¼” x Rp 1½” Liitinmutteri | 6,3 | 41 | 63 | 104 | 25,6 | 28,8 | 89 | 1,87871432 | 0,7 |
|
|
| 182767 | G 1½” x G 1¼” x Rp 1½” Liitinmutteri | 10,0 | 41 | 63 | 104 | 25,6 | 28,8 | 89 | 1,99470877 | 0,7 |
|
182766
| Koko | G 1½” x G 1¼” x Rp 1½” Liitinmutteri |
| Kvs m³/h | 6,3 |
| A mm | 41 |
| B mm | 63 |
| C mm | 104 |
| D mm | 25,6 |
| E mm | 28,8 |
| F mm | 89 |
| CO₂-EKV. (Kg) | 1,87871432 |
| Paino (kg) | 0,7 |
| Mittapiirros | |
| Tuotelista |
|
182767
| Koko | G 1½” x G 1¼” x Rp 1½” Liitinmutteri |
| Kvs m³/h | 10,0 |
| A mm | 41 |
| B mm | 63 |
| C mm | 104 |
| D mm | 25,6 |
| E mm | 28,8 |
| F mm | 89 |
| CO₂-EKV. (Kg) | 1,99470877 |
| Paino (kg) | 0,7 |
| Mittapiirros | |
| Tuotelista |
|
Tuote 182766
| A mm | 41 |
| B mm | 63 |
| C mm | 104 |
| D mm | 25,6 |
| E mm | 28,8 |
| F mm | 89 |
Tuote 182767
| A mm | 41 |
| B mm | 63 |
| C mm | 104 |
| D mm | 25,6 |
| E mm | 28,8 |
| F mm | 89 |
Kuvaus
LK 840 ThermoMix® 2.0 on 3-tieventtiili, jota voi käyttää sekoitus- tai ohjausventtiilinä lämmitysjärjestelmässä.
Venttiili sopii hyvin moottoroitavaksi, ja se voidaan varustaa eristeellä. Lisätietoja eristyksestä kertovassa tuoteselosteessa.
Kompakti malli ja kahdeksankulmainen avain helpottavat asennusta merkittävästi ahtaissa tiloissa. Venttiilin voi asentaa mihin asentoon tahansa. LK 840 ThermoMix® 2.0 on helppo asentaa sekä oikean- että vasemmanpuolisena asennuksena.
Venttiili on huoltovapaa, mutta kytkentä tulee kuitenkin tarkistaa säännöllisesti.
Tekniset tiedot
| Kääntökulma: | 90°/360° |
| Vääntömomentti: |
< 1 Nm (DN15-32)* < 2,1-2,3 Nm (DN40-50)* |
| Vuoto: | < 0,2% Kvs:stä 100 kPa:ssa |
| Suurin sallittu käyttöpaine: | 1,0 MPa (10 bar) |
| Paine-ero enint.: | 100 kPa (1 bar) |
| Käyttölämpötila: |
Väh. 5 °C / enint. 110 °C (lyhytaikaisesti 120 °C) |
| Ympäristön lämpötila: | Väh. 5 °C / enint. 60 °C |
| Kierrestandardi: | Rp - sisäkierre, G - ulkokierre |
| Siirtoneste 1: | Vesi - Glykolia maks. 50% Etanolia maks. 30% |
| Materiaali, venttiilipesä: | Messinki EN 12165 CW617N |
| Materiaali, sisäkansi: | PPS-komposiitti |
| Materiaali, ulkokansi: | Alumiini DN 15-32, Komposiitti: DN 40-50 |
| Materiaali, luisti/akseli: | Messinki EN 12165 CW617N |
| Materiaali, tiiviste: | EPDM |
| Akselitiiviste: | Kaksi O-rengasta |
* Kaksinkertainen momentti, kun venttiiliä käytetään jakavana.
Käyttökohteet
Tekniset piirustukset
Venttiilin ominaisuudet
TEHOKÄYRÄT
Tuotetiedot
LK 840 ThermoMix® 2.0
Käyttöohjeet
840 ThermoMix 2.0 - Instruction_248059
Käyttöohjeet
840 ThermoMix 2.0 DN 40_50 - Instruction_248060
Sertifiointi/tyyppihyväksyntä
CE Declaration of Conformity - 830, 831, 840, 841, 842, 845, 846.pdf
Sertifiointi/tyyppihyväksyntä
CE Declaration of Conformity - LK 830, LK 831, LK 840, LK 841, LK 842
| Tuotenumero | Tuote | Numero kuvassa |
|---|---|---|
| 187187 | Tiivistesarja 840/841 DN 15-20 | 1 |
| 187188 | Tiivistesarja 840/841 DN 25 | 1 |
| 187197 | Tiivistesarja 840/841 2.0, DN 32 | 1 |
| 187190 | Korjaussarja 840 DN 15-20 | 2 |
| 187191 | Korjaussarja 840 DN 25 | 2 |
| 187192 | Korjaussarja 840 DN 32 | 2 |
| 187189 | Tiivistesarja 840/841 2.0, DN 40-50 | 3 |
| 187193 | Korjaussarja 840 DN 40-50 | 4 |
| 187107 | Eriste, DN 15-20 | 5 |
| 187108 | Eriste, DN 25-32 | 5 |