LK Armatur LK Group Suomi
Sulje

LK Group

LK 842 ThermoMix® P

LK 842 ThermoMix® P

  • Laippaliitäntä
  • Helppo asentaa

LK 842 ThermoMix® P on 4-tieventtiili, joka asennetaan suoraan lämmityskattilaan. LK 842 ThermoMix® P sopii hyvin moottoroitavaksi. Venttiilin voi asentaa mihin asentoon tahansa. LK 842 ThermoMix® P voidaan a...

LK 842 ThermoMix® P

Artikkelit

LK 842 – Ulkokierre

LK 842 – Ulkokierre 1 artikel

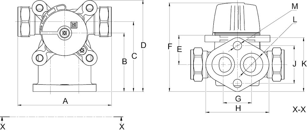
Tuote Koko Kvs m³/h A mm B mm C mm D mm E mm F mm G mm H mm J mm K mm L mm M mm CO₂-EKV. (Kg) Paino (kg) Mittapiirros Tuotelista
180879 G ¾" 5,5 84 62 74 97 31 94 30 67 40 57 24 9 2,29283229 0,8

180879

Koko G ¾"
Kvs m³/h 5,5
A mm 84
B mm 62
C mm 74
D mm 97
E mm 31
F mm 94
G mm 30
H mm 67
J mm 40
K mm 57
L mm 24
M mm 9
CO₂-EKV. (Kg) 2,29283229
Paino (kg) 0,8
Mittapiirros
Tuotelista
LK 842 – Puserrusliitin

LK 842 – Puserrusliitin 2 artikkelit

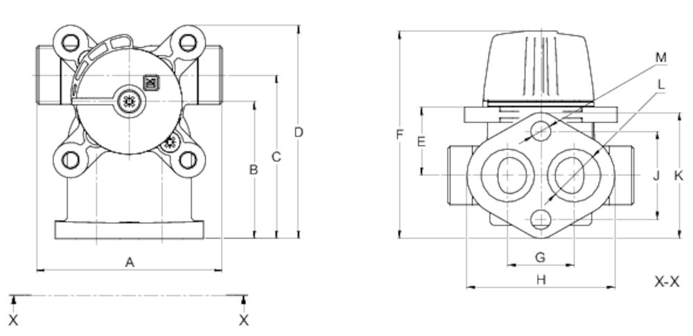
Koko CO₂-EKV. (Kg) Paino (kg) Tuote Kvs m³/h A mm B mm C mm D mm E mm F mm G mm H mm J mm K mm L mm M mm Mittapiirros Tuotelista
15 mm 0,8
22 mm 2,37254244 0,8 180881 5,5 99 62 74 97 31 94 30 67 40 57 24 9

15 mm

Paino (kg) 0,8
Tuote
Kvs m³/h
A mm
B mm
C mm
D mm
E mm
F mm
G mm
H mm
J mm
K mm
L mm
M mm
Mittapiirros
Tuotelista

22 mm

CO₂-EKV. (Kg) 2,37254244
Paino (kg) 0,8
Tuote 180881
Kvs m³/h 5,5
A mm 99
B mm 62
C mm 74
D mm 97
E mm 31
F mm 94
G mm 30
H mm 67
J mm 40
K mm 57
L mm 24
M mm 9
Mittapiirros
Tuotelista

Tarkat tiedot

Kuvaus

LK 842 ThermoMix® P on 4-tieventtiili, joka asennetaan suoraan lämmityskattilaan.

LK 842 ThermoMix® P sopii hyvin moottoroitavaksi.

Venttiilin voi asentaa mihin asentoon tahansa. LK 842 ThermoMix® P voidaan asentaa sekä oikean- että vasemmanpuolisesti.

Venttiiliyksikkö on huoltovapaa. Tarkasta kytkentä säännöllisesti.

Tekniset tiedot

Kääntökulma: 90°
Vääntömomentti: < 1 Nm
Vuoto: < 1,5% Kvs:stä 50 kPa:ssa
Suurin sallittu käyttöpaine: 1,0 MPa (10 bar)
Paine-ero enint.: 50 kPa (0,5 bar)
Käyttölämpötila: Väh. 5 °C / enint. 110 °C
(lyhytaikaisesti 120 °C)
Ympäristön lämpötila: Väh. 5 °C / enint. 60 °C
Kierrestandardi: G - ulkokierre
Siirtoneste 1: Vesi - Glykolia maks. 50% Etanolia maks. 30%
Materiaali, venttiilipesä: Messinki EN 1982 CB753S
Materiaali, sisäkansi: PPS-komposiitti
Materiaali, ulkokansi: Alumiini
Materiaali, luisti/akseli: Messinki EN 12165 CW617N
Materiaali, tiiviste: EPDM
Akselitiiviste: Kaksi O-rengasta

Käyttökohteet

Tekniset piirustukset

Venttiilin ominaisuudet

TEHOKÄYRÄT

Varaosat ja lisävarusteet

Tuotenumero Tuote Numero kuvassa
013083 Tiiviste 842 1
187067 Tiivistesarja 840/841/842, DN 25-32 2
187071 Korjaussarja 841/842, DN 25-32 3