LK Armatur LK Group Suomi
Sulje

LK Group

LK 551 HWC CirculationKit

LK 551 HWC CirculationKit

LK 551 HWC CirculationKit on lisävaruste tuotteelle LK 551 HydroKit HWC. Lisävaruste asennetaan, kun säiliössä ei ole uudelleenkierrätettävän veden liitäntää. Asennetaan kuuman veden liitäntään. Putki putkessa...

LK 551 HWC CirculationKit

Artikkelit

LK 551 HWC CirculationKit - Sisäkierre

LK 551 HWC CirculationKit - Sisäkierre 2 artikkelit

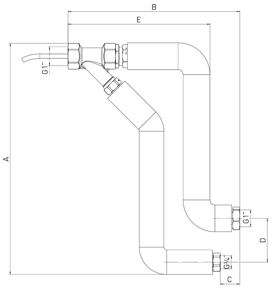
Tuote Kvs m³/h A mm B mm C mm D mm E mm Paino (kg) Mittapiirros Tuotelista
092329 1,6 415 308 35 79 254 2,1
092357 3,5 415 308 35 125 254 2,6

092329

Kvs m³/h 1,6
A mm 415
B mm 308
C mm 35
D mm 79
E mm 254
Paino (kg) 2,1
Mittapiirros
Tuotelista

092357

Kvs m³/h 3,5
A mm 415
B mm 308
C mm 35
D mm 125
E mm 254
Paino (kg) 2,6
Mittapiirros
Tuotelista
LK 551 HWC CirculationKit - Sisekeere

LK 551 HWC CirculationKit - Sisekeere 1 artikel

Tuote Koko A mm B mm C mm CO₂-EKV. (Kg) Paino (kg) Mittapiirros Tuotelista
095487 G 1” x Rp 1” x G ¾” 85 106 41 0,14982297 0.6

095487

Koko G 1” x Rp 1” x G ¾”
A mm 85
B mm 106
C mm 41
CO₂-EKV. (Kg) 0,14982297
Paino (kg) 0.6
Mittapiirros
Tuotelista

Tarkat tiedot

Kuvaus

LK 551 HWC CirculationKit on lisävaruste tuotteelle LK 551 HydroKit HWC. Lisävaruste asennetaan, kun säiliössä ei ole uudelleenkierrätettävän veden liitäntää.

Asennetaan kuuman veden liitäntään.
Putki putkessa -ratkaisun ja 1,5 metrin Pex-putken avulla uudelleenkierrätettävän veden paluu voidaan säätää sopivalle tasolle siten, että se ei riko säiliön kerroksellisuutta.

Toimitukseen kuuluu 2 ruostumatonta ja eristettyä putkea, venttiili ja Pex-putki 8x1 pituus 1,5 m.

Tekniset tiedot

Suurin sallittu käyttöpaine: 0,6 MPa (6 bar)
Käyttölämpötila: Väh. 5 °C/enint. 95 °C
Materiaali: Pex: PE-Xc - PE-HD ilman EVOH-kalvoa
Muuta: T-putki: Cuphin
Materiaali, putki: Ruostumaton EN 1008-3-14404 (AISI316L)

Käyttökohteet